返回首页  加入收藏  设为首页  联系我们
  首 页   关于我们   产品中心   技术应用   业务介绍   网上咨询   联系我们   人才招聘
产品应用
滑台
夹具
电控箱布置
非标设备
输送线 物流设备
型材框架
导轨
产品类别
线棒工作台
非标工装夹具治具
工业铝型材
型材周边配件产品
产品中心 / 所有产品
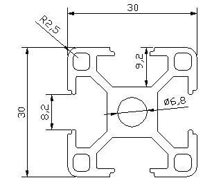
产品名称:3030工业型材
产品类别:工业铝型材

Name :3030铝型材
Description :

材料: 铝合金  6063-T5

单位质量: 0.95kg/m

供货长度: 100~6000mm

集合惯性: Ix:2.85cm4     Iy:2.85cm4

截面惯性: Zx:1.8cm4      Zy:1.8cm4

Copyright © 2012 上海乾维自动化设备有限公司   电话:86-21-57855267    传真:86-21-57855367-8006    沪ICP备17008262号-1